Zürcher Nachrichten - Des neurones doués de sensations ont appris à jouer à un jeu vidéo

EUR -
AED 4.304491
AFN 77.683902
ALL 96.447187
AMD 447.040283
ANG 2.098507
AOA 1074.803393
ARS 1700.302607
AUD 1.774035
AWG 2.109755
AZN 1.996556
BAM 1.955101
BBD 2.359897
BDT 143.290028
BGN 1.956341
BHD 0.44175
BIF 3464.121464
BMD 1.172086
BND 1.512779
BOB 8.096177
BRL 6.472377
BSD 1.171701
BTN 105.712232
BWP 15.483732
BYN 3.43773
BYR 22972.890342
BZD 2.356498
CAD 1.616102
CDF 2653.603242
CHF 0.931695
CLF 0.027223
CLP 1067.934634
CNY 8.252952
CNH 8.247567
COP 4528.601334
CRC 583.803873
CUC 1.172086
CUP 31.060285
CVE 110.226559
CZK 24.345389
DJF 208.649015
DKK 7.470937
DOP 73.625266
DZD 152.007933
EGP 55.708666
ERN 17.581294
ETB 182.221906
FJD 2.677338
FKP 0.875398
GBP 0.876222
GEL 3.152799
GGP 0.875398
GHS 13.474301
GIP 0.875398
GMD 86.145469
GNF 10243.558714
GTQ 8.973794
GYD 245.134511
HKD 9.120349
HNL 30.861501
HRK 7.53537
HTG 153.457137
HUF 387.499906
IDR 19640.70776
ILS 3.755072
IMP 0.875398
INR 105.674299
IQD 1534.864725
IRR 49374.133109
ISK 147.600955
JEP 0.875398
JMD 187.477018
JOD 0.830988
JPY 182.846036
KES 151.140394
KGS 102.498683
KHR 4692.383577
KMF 493.44894
KPW 1054.870584
KRW 1733.316227
KWD 0.359714
KYD 0.97636
KZT 604.531752
LAK 25373.36767
LBP 104923.603707
LKR 362.526664
LRD 207.385906
LSL 19.645616
LTL 3.460866
LVL 0.708984
LYD 6.350839
MAD 10.739055
MDL 19.760277
MGA 5269.229822
MKD 61.533541
MMK 2461.447971
MNT 4158.096482
MOP 9.390925
MRU 46.773287
MUR 54.036943
MVR 18.120156
MWK 2031.717452
MXN 21.105681
MYR 4.785044
MZN 74.908115
NAD 19.645533
NGN 1706.533948
NIO 43.115332
NOK 11.914433
NPR 169.142456
NZD 2.034466
OMR 0.450517
PAB 1.171691
PEN 3.945024
PGK 5.050303
PHP 68.798132
PKR 328.303707
PLN 4.202403
PYG 7822.338745
QAR 4.27281
RON 5.090836
RSD 117.339579
RUB 93.702302
RWF 1705.9269
SAR 4.396323
SBD 9.54092
SCR 15.932148
SDG 705.012907
SEK 10.88881
SGD 1.513497
SHP 0.879368
SLE 28.245058
SLL 24578.066745
SOS 668.475428
SRD 45.333877
STD 24259.818775
STN 24.491772
SVC 10.252425
SYP 12961.357892
SZL 19.651314
THB 36.820503
TJS 10.820234
TMT 4.114023
TND 3.424806
TOP 2.822103
TRY 50.177101
TTD 7.950261
TWD 36.991634
TZS 2918.494768
UAH 49.488874
UGX 4185.540318
USD 1.172086
UYU 45.913596
UZS 14130.072222
VES 327.262188
VND 30841.105284
VUV 142.259511
WST 3.263926
XAF 655.736708
XAG 0.017776
XAU 0.000271
XCD 3.167621
XCG 2.111673
XDR 0.815523
XOF 655.733911
XPF 119.331742
YER 279.483795
ZAR 19.635142
ZMK 10550.198224
ZMW 26.655931
ZWL 377.411292
  • AEX

    -0.9400

    939.07

    -0.1%

  • BEL20

    4.0400

    5058.39

    +0.08%

  • PX1

    6.5200

    8156.21

    +0.08%

  • ISEQ

    24.8500

    13101.54

    +0.19%

  • OSEBX

    7.5900

    1657.28

    +0.46%

  • PSI20

    39.8300

    8167.49

    +0.49%

  • ENTEC

    -5.8300

    1416.23

    -0.41%

  • BIOTK

    -55.0900

    4118.34

    -1.32%

  • N150

    5.5900

    3729.96

    +0.15%

Des neurones doués de sensations ont appris à jouer à un jeu vidéo
Des neurones doués de sensations ont appris à jouer à un jeu vidéo / Photo: Handout - AFP

Des neurones doués de sensations ont appris à jouer à un jeu vidéo

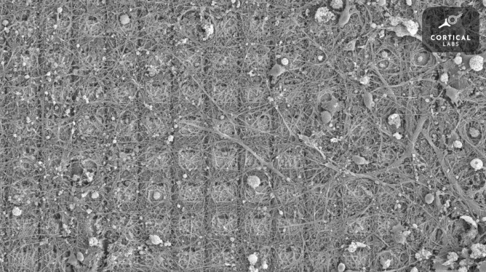
Des neurones cultivés dans une boîte de Petri sont capables d'apprendre à jouer à Pong, le grand classique des jeux vidéo, faisant ainsi preuve d'un "comportement intelligent et doué de sensations", selon des chercheurs en neurosciences australiens.

Taille du texte:

Cette étude, publiée mercredi dans la revue scientifique Neuron, ouvre la voie à un nouveau type de recherches qui pourraient un jour se servir de neurones pour traiter des informations, sorte de machines biologiques qui épauleraient les ordinateurs numériques, selon le chercheur ayant mené les recherches, Brett Kagan.

"Les machines sont incapables d'apprendre très rapidement des choses. Pour qu'un algorithme de +machine learning+ (l'apprentissage automatique, une technique d'intelligence artificielle, NDLR) apprenne quelque chose, il a besoin de milliers d'échantillons de données", a-t-il expliqué.

Tandis qu'"un chien peut apprendre un tour en deux ou trois essais", note-t-il.

Les neurones sont au fondement de l'intelligence chez tous les animaux, des insectes aux humains.

Pour leur expérience, visant à découvrir s'il était possible d'exploiter l'intelligence inhérente des neurones, Brett Kagan et ses collègues ont prélevé des neurones de cerveaux embryonnaires de souris ainsi que des neurones issus de cellules souches d'humains adultes.

Ils ont ensuite cultivé ces neurones autour de matrices de microélectrodes capables de détecter leur activité et de les stimuler. Les expériences ont concerné des amas d'environ 800.000 neurones, la taille du cerveau d'un bourdon.

Dans une sorte de version simplifiée du jeu de tennis Pong, un signal était ensuite envoyé depuis la droite ou la gauche pour indiquer l'emplacement d'une balle et l'amas de neurones, baptisé par les chercheurs "DishBrain" (ou cerveau en boîte en français), répondait par un autre signal pour déplacer la raquette.

- "Principe de l'énergie libre" -

Un des principaux obstacles était de trouver comment amener les neurones à apprendre une tâche.

De précédents travaux avaient suggéré de les gratifier d'une dose d'"hormone du bonheur", la dopamine, à chaque action correcte -- mais cela s'est révélé difficile à accomplir avec la vitesse nécessaire.

A la place, l'équipe du Dr Kagan s'est appuyée sur la théorie dite du "principe de l'énergie libre" introduite il y a plus de dix ans par Karl Friston, l'auteur principal de l'étude publiée mercredi, et selon laquelle les cellules cherchent instinctivement à minimiser l'imprévisibilité de leur environnement.

Quand les neurones parvenaient à frapper la balle à l'aide de la raquette, ils recevaient donc une information prévisible indiquant leur réussite. Mais quand ils rataient leur coup, le signal reçu était aléatoire, imprévisible.

"La seule façon pour les neurones de faire en sorte que leur monde reste contrôlable et prévisible était de mieux réussir à toucher la balle", a détaillé Brett Kagan.

Son équipe considère que DishBrain est "sensible" -- ce qu'ils définissent comme étant capable de percevoir des informations sensorielles et d'y répondre de façon dynamique --, mais ne vont pas jusqu'à parler de "conscience", ce qui implique d'avoir conscience de sa propre existence.

Ce "cerveau en boîte" s'est même essayé au jeu qui remplace le moteur de recherche de Google en cas d'absence de connexion internet, qui consiste à faire courir un dinosaure parmi des obstacles, et les premiers résultats ont été encourageants, a indiqué Brett Kagan.

Les scientifiques veulent ensuite tester la manière dont des médicaments et l'alcool affectent l'intelligence de ces neurones, mais le Dr Kagan est surtout enthousiaste à l'idée de la possibilité de développer des ordinateurs biologiques.

"C'est (une expérience de) neurosciences rigoureuse et intéressante", estime Tara Spires-Jones, de l'université d'Edimbourg, qui n'a pas participé à l'étude.

"Pas d'inquiétude, même si ces boîtes de neurones peuvent modifier leurs réponses lorsqu'elles sont stimulées, ce ne sont pas des boîtes douées d'intelligence de type science fiction, ce sont de simples (bien qu'intéressants et importants d'un point de vue scientifique) réponses de circuit", rassure-t-elle.

A.P.Huber--NZN